freertos快速使用
- 首先在
CubeIDE软件的File -> NEW -> stm32 project,选择创建stm32工程

- 然后再
CubeMX的选择界面,输入自己需要的芯片型号确定

- 输入项目名称然后完成创建项目

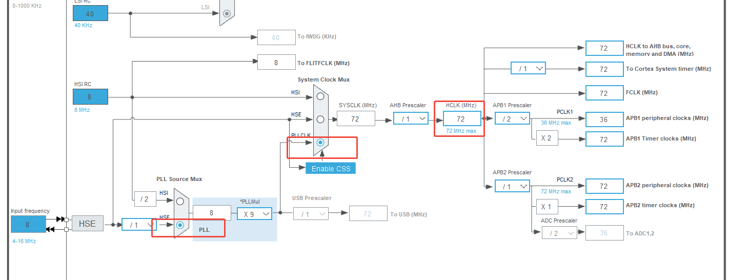
CubeIDE与CubeMX的配置界面一定要先做三件事,Debug下载来源、时钟源配置与时钟频率选择,一般Debug下载来源都选串行,stlink的配置,时钟源都选外部高速时钟,时钟频率都选择外部时钟路径,频率选HCLK建议的最大频率,回车之后CubeMX会自动为外设选择合适的频率。



- 在一系列基本过程做完后,就可以选择
freertos的中间件

我们主要关心freertos的tasks and queues,任务与队列的这一块,直接点击add,即可创建任务,如下图,我随意创建了三个


- 在任务创建选择完成之后,我们可以选择一路串口,用来输出多个任务的打印

- 一切完成,点击这个黄色的按钮生成代码

- 可以写一些字符串,通过窗口输出,用以表明多任务,注意代码一定要写在
USER CODE注释区域,不然会被每次重新生成代码给清空。


- 最后我们就快速完成了
freertos的多任务创建,串口输出了每个任务的打印,我们只需要把每个任务当成一个大循环while写具体代码就好,freertos并没有强制绑定STM32的HAL库,我们可以用HAL库自由实现需要的功能。
